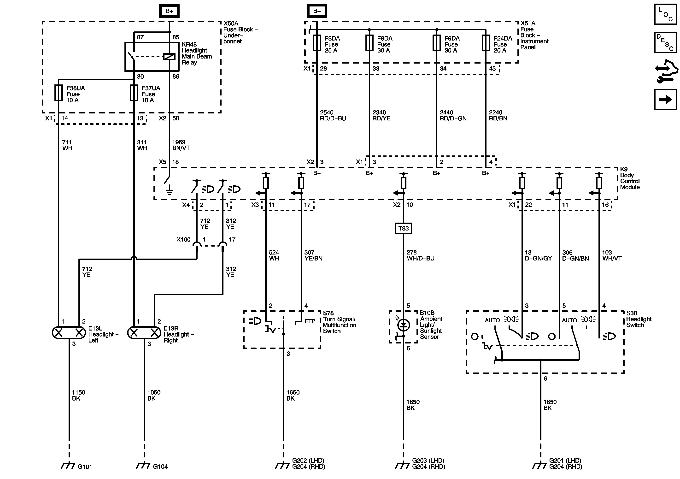
Esquema eléctrico luces onix 2015
-
ingmasanti
- Mensajes: 3
- Registrado: 24 Oct 2015, 21:25
- Auto: Onix LS / Joy+
- Agradecido : 1 vez
Esquema eléctrico luces onix 2015
Hola estoy buscando información del accionamiento de la luz alta del onix para colocarle un control remoto que abra el portón de casa con guiño de luz alta, alguien que me pueda orientar de donde sacar info
- javier_tejedor
- Moderador

- Mensajes: 2178
- Registrado: 13 Dic 2018, 01:42
- Auto: Prisma LTZ AT Línea 2017
- Agradecido : 66 veces
- Agradecimiento recibido: 267 veces
Re: Esquema eléctrico luces onix 2015
quizas sea mas facil ponerle un sensor al coche, que detecte el porton por proximidad (similar al de los telepeajes)
- charly79
- Muy avanzado

- Mensajes: 134
- Registrado: 29 Nov 2019, 10:31
- Auto: Prisma LT
- Ubicación: Caba
- Agradecimiento recibido: 39 veces
- Contactar:
Re: Esquema eléctrico luces onix 2015
Hola que t hace falta? Trabaja todo con la bcm tengo muchos diagramas eléctricos